开云在线登录官网

专业光伏连接方案提供商PROFESSIONAL PV CONNECTION SOLUTION PROVIDER

开云在线登录官网:+86 0519 68193265

您的位置: 首页 > 产品中心> 光伏连接器

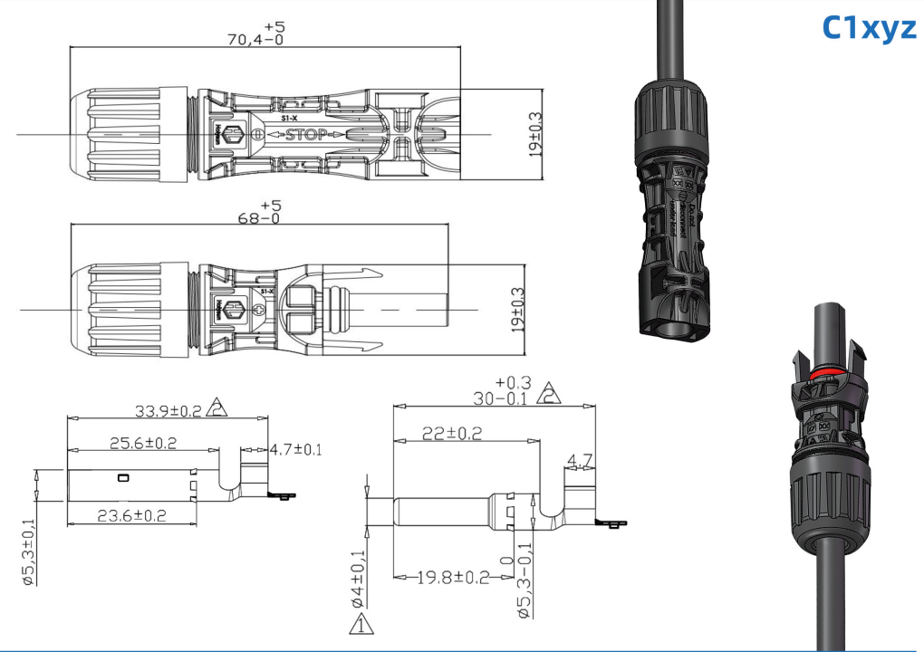
C1xyz

image.png

image.png